
螺杆式启闭机系列启闭机按吊点数分为单吊点和双吊点两种型号,按驱动方式分为手动、 电动和手电两用三种形式,一般吨位超过60T(单机)时不再配置手动部分。我公司生 产的QL型系列启闭机启门力为0.3T-65T,超过65T(单机)时可特殊设计。


2、本系列启闭机未作特殊设计时,不能作斜吊运行。
3、手电3T及其以上启门的启闭机可增设行程开关限位装置,作极限运行保 护。手动启闭机均设有限位盘,作为下降极限位置控制。
4、应根据启闭机螺杆外形决定。特殊情况定货前应说明。
5、选用时应提前声明:
a、螺杆总长(闸门吊轴孔中心至启闭机底座距离)及吊点中心距
b、加长螺杆部分
c、特殊电气控制要求
d、是否需增设螺杆?;ぷ爸?,若有,提供相关图纸或位置布置图
e、其他特殊要求
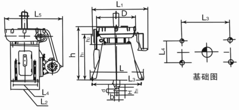
6、启闭机基础位置图仅供水工建筑设计时参考,如有特殊要求,本公司可以 变更,地脚螺拴随机供应。
7、润滑油由用户自备。
8、选购件名录(另计价)
a、螺杆?;ぷ爸茫合?nbsp;
b、加长螺杆部分
c、特殊电气控制要求
d、基础部分更改
e、过载?;て?nbsp;
f、数显高度控制仪
g、其他有异于本公司产品系列的变更

