四川耍耍逍遥论坛,南宁桑拿论坛官网入口,千桃园附近花店地址电话
欢迎来到河北江环水利机械有限公司官网!专注水利行业30年 · 集生产、销售、安装一体化的规模型水利机械厂家。
网站地图
XML地图
RSS订阅
网站首页
公司简介
产品展示
工程实例
荣誉资质
新闻资讯
技术参数
联系我们
您的位置:
首页
>
产品展示
>
螺杆启闭机系列
>
产品分类
螺杆启闭机系列
卷扬启闭机系列
铸铁闸门系列
钢制闸门系列
渠道闸门系列
拍门系列
钢坝、翻板闸门系列
回转式清污机系列
抓斗式清污机系列
机械格栅除污机系列
输送机、拦污栅系列
橡胶止水系列
联系方式
河北江环水利机械有限公司
联系人:卢经理
咨询热线:183-3099-2228
电 话:0319-4766548
传 真:0319-4766548
业 务QQ:1552771358
邮 编:055650
公司邮箱:jhshuili888@163.com
公司网址:m.lephndq.cn
公司地址:河北省邢台市新河县工
业园区(付兴庄村东)
扫—扫,添加微信沟通询价
新闻资讯
手电两用螺杆式启闭机
螺杆启闭机的结构特点
2*100kn卷扬式启闭机特点
清污机简介
回旋式格栅除污机的原理
拍门的具体类别
具有众多良好性能的拍门和传统铸铁闸门相比具备的优势有以下几点
闸门由哪三部分组成?
铸铁闸门安装
大口径铸铁闸阀Z41T主要特点及用途
闸门启闭机的适当维护保养方法
启闭机闸门,闸门启闭机的启闭力计算方法
抓斗式清污机_液压移动抓斗式清污机介绍
拍门的结构组成
拍门有哪些特点呢
螺杆启闭机系列
手摇式启闭机
所属分类:
螺杆启闭机系列
咨询电话:
18330992228
简介:
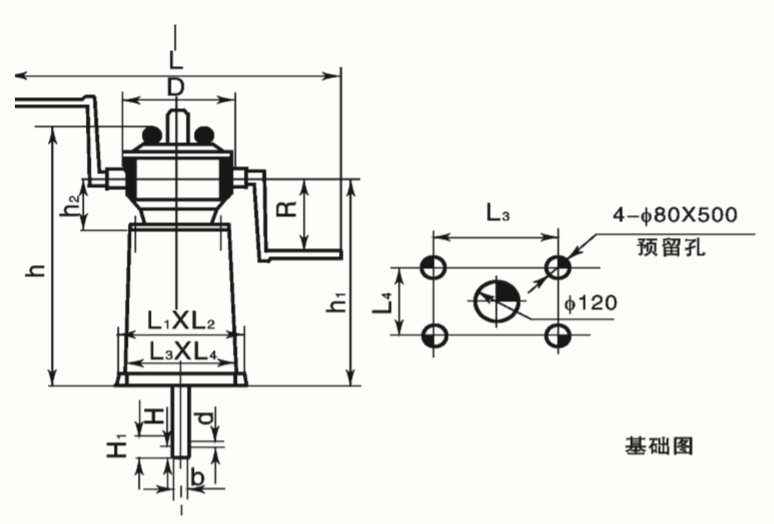
QLS手摇式启闭机简介: 手摇启闭机适用于人力操作的平 面闸门启动。具有自锁功能,闸门可停留在任何位置。配有防盗嘴及专用扳手,具有防盗水功能。 手摇式启闭机参数:
QLS手摇式
启闭机
简介:
手摇启闭机适用于人力操作的平 面
闸门
启动。具有自锁功能,
闸门
可停留在任何位置。配有防盗嘴及专用扳手,具有防盗水功能。
手摇式启闭机参数:
上一篇:
手电两用螺杆式启闭机
下一篇:
侧摇式启闭机(高支座)
公司简介
产品展示
工程实例
荣誉资质
新闻资讯
技术参数
联系我们
Copyright @ 2020 河北江环水利机械有限公司 【
冀ICP备20013906号-1
】
联系人:卢经理
咨询热线:183-3099-2228
电 话:0319-4766548
邮 编:055650
业 务QQ:1552771358
传 真:0319-4766548
公司邮箱:jhshuili888@163.com
公司网址:m.lephndq.cn
公司地址:河北省邢台市新河县工业园区(付兴庄村东)
关键词:
启闭机
闸门
拍门
钢坝
液压钢坝
铸铁闸门
钢制闸门
清污机
回转式清污机
网站地图
XML地图
RSS订阅
手机网站
微信沟通
主站蜘蛛池模板:
烟台市
|
大关县
|
耒阳市
|
田阳县
|
峨山
|
萨嘎县
|
正镶白旗
|
伊金霍洛旗
|
霍山县
|
越西县
|
河曲县
|
渑池县
|
北安市
|
泸水县
|
鹿泉市
|
忻城县
|
喀喇沁旗
|
通州市
|
儋州市
|
高雄县
|
盐亭县
|
五指山市
|
松阳县
|
巧家县
|
特克斯县
|
石渠县
|
开封县
|
绥宁县
|
肇东市
|
顺义区
|
河池市
|
无棣县
|
西盟
|
益阳市
|
迭部县
|
衡南县
|
色达县
|
乐至县
|
徐闻县
|
中牟县
|
江都市
|